Waterproof Robotic Sewer Crawler System Night Vision Drainage Pipe Inspect Robot Camera SD Card Inspection Robot

Customization: Available
Charging Method: The Power Adapter
Navigation System: Laser Navigation

Product Description

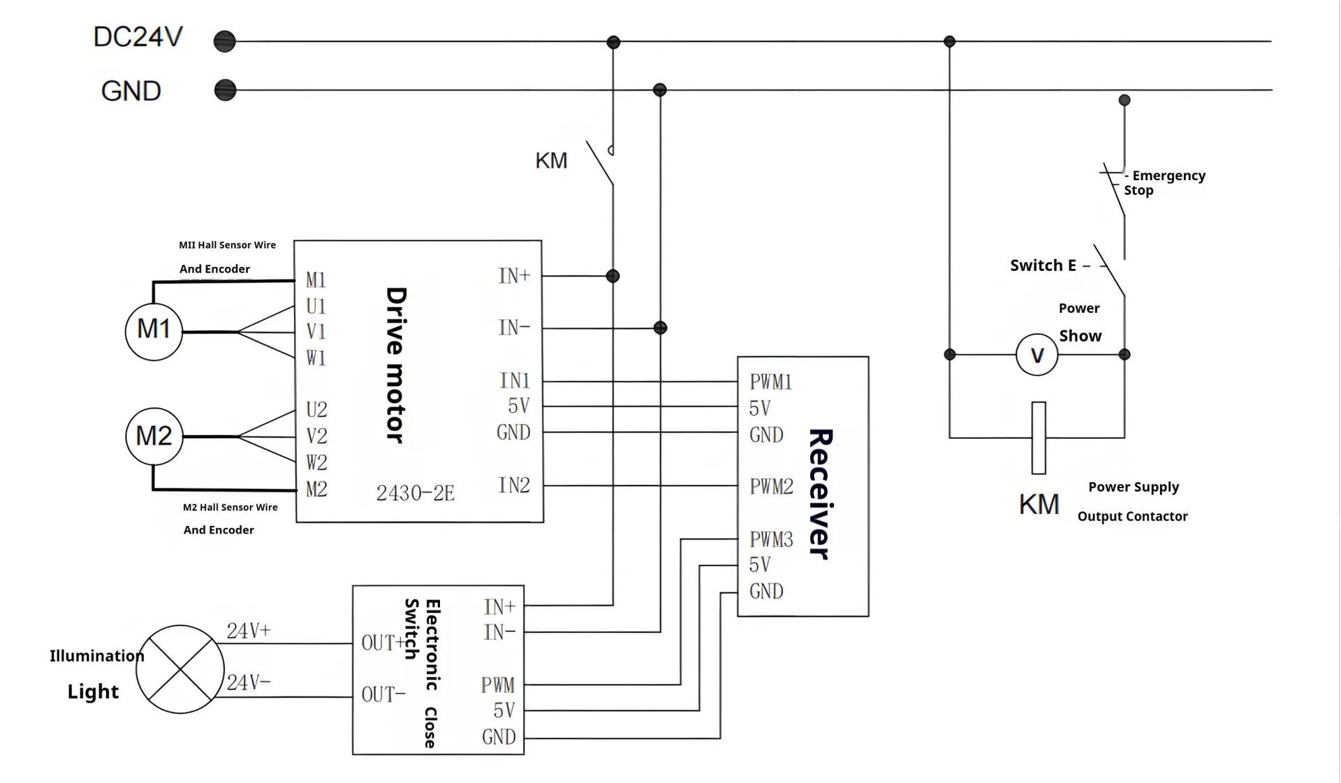
📋 Basic Information & Specifications
Model NO. W600
Application Indoor, Outdoor
Max. Loading Capacity 40kg (Vertical)
Rated Power 2*200W
Speed 0-0.11m/S
Track Width 120mm
Climbing Wall Angle ≤90°
Chassis Height 17mm
Motor Selection Exchange Servo Motor
Motor Torque 0.64NM
IP Grade IP54
Specification 895*616*273mm
Package Gross Weight 70.000kg
🤖 Product Description

Middle Sized Magnetic Wall Climbing Tracked Robot

This climbing robot is suitable for wall climbing cleaning, rust removal, spraying, surveying, welding, etc. It is a multi-purpose inspection robot with features such as intelligence, strong scalability, and easy operation.

🚀 Key Advantages & Functions
  • High Precision Performance: Large area coverage and pan-scene adaptability for outdoor industrial parks and substations.
  • Smart Navigation: Equipped with autonomous driving, obstacle avoidance, detour systems, and fixed-point inspection.
  • Advanced Monitoring: Supports image photography, recording, temperature detection, and air quality monitoring.
  • AI Capabilities: Optional AI recognition systems to meet unmanned operation needs.
  • Efficient Power: Autonomous charging features ensure continuous operation in hazardous areas.
📷 Product Gallery
Wall Climbing Robot
Inspection Robot Details
Robotic Sewer Crawler System
Night Vision Inspection
Crawler Robot Components
Detailed Technical Views
Operating Environment
Track System
Vertical Climbing Demo
Structure Layout
🛠️ After Sales Service

7*24 Online Support: Uninterrupted assistance via expert support at any time or day.

One-on-One Expert Service: Focused and dedicated attention to every inquiry and technical requirement.

Rapid Response: Designed to provide swift and effective resolutions for total satisfaction.

Service Guarantee
Frequently Asked Questions
1. What is the maximum load capacity for vertical climbing? The W600 model can carry a maximum load of 40kg while climbing vertically.
2. Can this robot operate in outdoor environments? Yes, it is designed for both indoor and outdoor applications, featuring an IP54 grade protection.
3. Does it support autonomous operation? Yes, it features autonomous navigation, obstacle avoidance, and autonomous charging capabilities.
4. What are the primary functions of this robot? Primary functions include cleaning, rust removal, spraying, welding, air quality monitoring, and temperature detection.
5. Is the robot equipped with a camera? Yes, it supports image photography, recording, and optional AI recognition for detailed inspections.
6. What type of motor does the W600 use? It uses an Exchange Servo Motor with a torque of 0.64NM for precise movement control.

Related Products