Indoor Outdoor Remotely Control Autonomous Robot Intelligent Security Inspection Patrol Robot

Customization: Available
Charging Method: The Power Adapter
Navigation System: Laser Navigation

Product Description

Basic Specifications

Model NO.W600
ApplicationIndoor, Outdoor
Max. Loading Capacity40kg(Vertical)
Rated Power2*200W
Speed0-0.11m/S
Track Width120mm
Climbing Wall Angle≤90°
Chassis Height17mm
Motor SelectionExchange Servo Motor
IP GradeIP54
Specification895*616*273mm

Product Highlights

🚀
Middle Sized Magnetic Wall Climbing Tracked Robot: Suitable for wall climbing cleaning, rust removal, spraying, surveying, and welding.
🤖
Intelligent Inspection: Equipped with autonomous driving and AI systems to meet the needs of unmanned inspection operations.
🛡️
Diverse Functions: Autonomous navigation, obstacle avoidance, fixed-point inspection, autonomous charging, and environment monitoring.
Security Inspection Patrol Robot
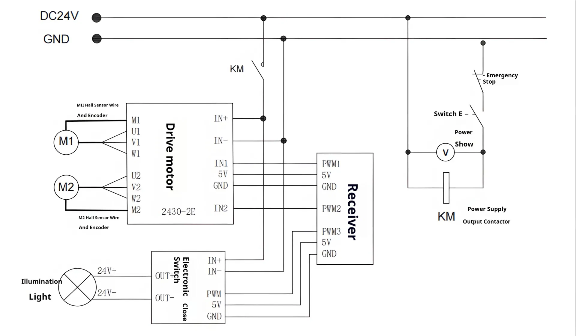
Tracked Robot Overview
Robot Components
Wall Climbing Robot
Inspection Robot Detail

Technical Parameters

Track Width120mm
Motor Torque0.64NM
Package Size89.00cm * 61.00cm * 27.00cm
Package Gross Weight70.000kg

After Sales Service

• 7*24 online support ensuring expert assistance is always available.

• Personalized one-on-one expert service for dedicated attention.

• Rapid response times for swift and effective resolutions.

Service 1
Service 2

Frequently Asked Questions

Q1: Can this robot climb vertical walls? A1: Yes, the robot is designed with magnetic tracks and can climb walls up to a 90° angle.
Q2: What is the maximum load capacity for vertical climbing? A2: The W600 model has a maximum vertical loading capacity of 40kg.
Q3: Is the robot suitable for outdoor and hazardous areas? A3: Yes, it is suitable for outdoor industrial parks, substations, and hazardous areas with an IP54 protection grade.
Q4: Does the robot support autonomous operation? A4: Yes, it features autonomous navigation, fixed-point inspection, and autonomous charging capabilities.
Q5: What kind of motors are used in this robot? A5: The robot is equipped with exchangeable Servo Motors providing 0.64NM of torque.
Q6: What inspection functions does it provide? A6: It provides image photography, video recording, temperature detection, air quality monitoring, and optional AI recognition.

Related Products